Hallo,
Sinds een week zakt mijn boilerdruk bij het zetten van een espresso. Ik heb deze proberen te compenseren met het drukventiel (schroefje) onder aan de machine, maar dit geeft niet het gewenste resultaat. De drukmeter gaat omhoog, maar fluctueert veel te veel, dus ik denk dat er iets mis is. Hebben jullie hier ervaring mee en kunnen jullie mij misschien op weg helpen waar het euvel aan kan liggen? Graag hoor ik van jullie.
Leslie
Re: Profitec pro 700 boilerdruk niet constant
2Om te beginnen: zit de machine aan de waterleiding, of haalt deze het water uit de waterbak.
In ieder geval controleren of je expansieventiel water loost tijdens het koffie zetten.
Daarna testen of je vulklep water doorlaat.
Vanaf daar verder.
Koffie distribueren doe je met een vrachtwagen.
In ieder geval controleren of je expansieventiel water loost tijdens het koffie zetten.
Daarna testen of je vulklep water doorlaat.
Vanaf daar verder.
Koffie distribueren doe je met een vrachtwagen.
Re: Profitec pro 700 boilerdruk niet constant
3Han! Dank! Je draait overuren met al je hulp! Respect.
Numbers are good but never loose the focus, a quality cup profile is not negotiable!
Re: Profitec pro 700 boilerdruk niet constant
4Hi HanR,HanR schreef: do 28 nov 2024, 12:02 Om te beginnen: zit de machine aan de waterleiding, of haalt deze het water uit de waterbak.
In ieder geval controleren of je expansieventiel water loost tijdens het koffie zetten.
Daarna testen of je vulklep water doorlaat.
Vanaf daar verder.
Koffie distribueren doe je met een vrachtwagen.
Wederom bedankt voor je antwoord. De machine werkt middels een waterbak. Tijdens het zetten loopt er geen water door het expansie ventiel. Een half jaar geleden wel, maar dit heb ik met behulp van jullie allen kunnen repareren. Nogmaals mijn dank hiervoor!
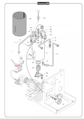
Ik zou niet weten waar ik de vulklep kan vinden. Voor het gemak heb ik de technische tekening van mijn machine toegevoegd. Kan jij aangeven door middel van het nummer waar ik hem kan vinden? Dan kan vanavond mijn machine open schroeven en kijken of hij lekt. https://www.dropbox.com/scl/fi/qa5h6qa1 ... a9ys8&dl=0
Profitec pro 700 (v1), Profitec maler
Re: Profitec pro 700 boilerdruk niet constant
5Bij de rode pijl, dat is de vulklep.
Koffie distribueren doe je met een vrachtwagen.
Re: Profitec pro 700 boilerdruk niet constant
6Bedankt HanR, ik ga morgen even kijken!HanR schreef: do 28 nov 2024, 17:37 Bij de rode pijl, dat is de vulklep.8073563-profitec-pro700-damp-1500-1500-85.jpg
Koffie distribueren doe je met een vrachtwagen.
Nogmaals dank voor het prettige telefoongesprek. Ik wens je een spoedig herstel toe!
Profitec pro 700 (v1), Profitec maler

